Code:NGHGT9
Barcode:8596450109544
Brand:NGH
NGH GT9-PRO Two-Stroke Gas Engine
Airplane gasoline two-stroke single cylinder engine with displacement 9ccm and power output 1,2HP (0,89kw) at 13 000rpm. Recommended fuel mixture = N95 gas 20:1 with fully synthetic 2T oil.
This item is not available in you region (United States)
Description
Spare parts
Download
KAVAN Europe s.r.o. is happy to introduce the NGH line of petrol engines. The manufacturer, Changsha Guanghua Aviation Technology Co., Ltd., has become widely recognized for affordable priced high quality and performance engines. They are manufactured and designed from scratch for model aircraft offering uncompromised quality, high performance and reliability using accessories like RCEXL® electronic ignitions.
The two stroke engine line up starts with the small 9 ccm one that would fit models designed for 6.5-8.5 ccm (.40-.53 cu inch) glow engines perfectly - up to the mighty 130 ccm twin for giant models.
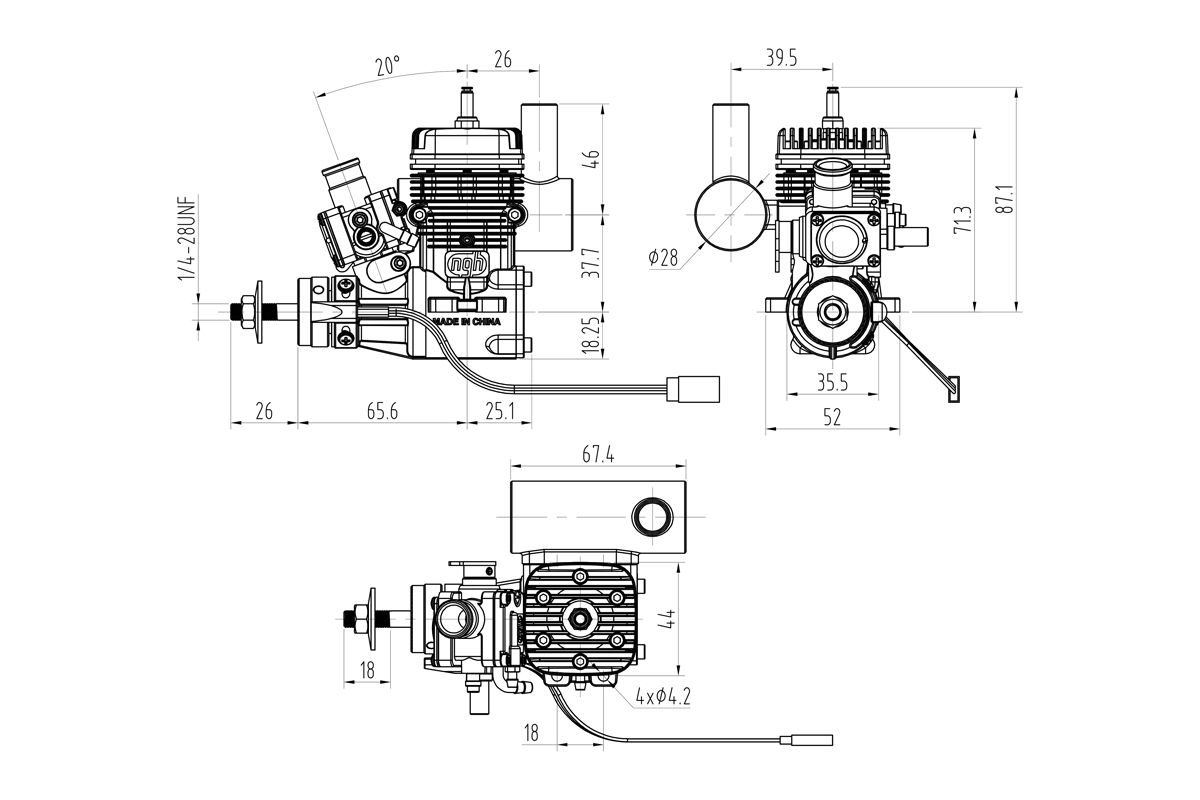
| Displacement [ccm] | 9 |
| Bore [mm] | 23.3 |
| Stroke length [mm] | 21 |
| Operating RPM [ot./min] | 2000 - 11000 |
| Power [HP] | 1.2 |
| Motor power [W] | 890 |
| Tensile force [kg] | 3.8 |
| Weight [g] | 435 |
| Ignition weight [g] | 100 |
| Spark plug type | 1/4-32 |
| Ignition power-supply [V] | 6 - 14.4 |
| Recommended Propeller | Two-blades 11x6 ; 11x7 ; 12x6 |